Model
RIP-1
Receiver
Isolator/Protector

Unwanted RF in your rig
is a problem!
Many low-band operators have Beverages
or other receive antennas that are located close to the transmit antenna. When
strong RF comes into the ham shack from those receive antennas, bad things can
happen!
Most modern HF radios do not switch or otherwise protect the receiver when the
external antenna input is used. As a result, RF picked up by the receive antenna
is connected directly to the radio circuits. We are aware of such problems as
the power supply regulator shutting down, synthesizers becoming unlocked, auto-tuners
going haywire, and just about anything else you can imagine. It is also quite
possible to damage the receiver front-end components or other circuitry in the
rig if the RF is strong enough.
What is a Receiver Isolator/Protector?
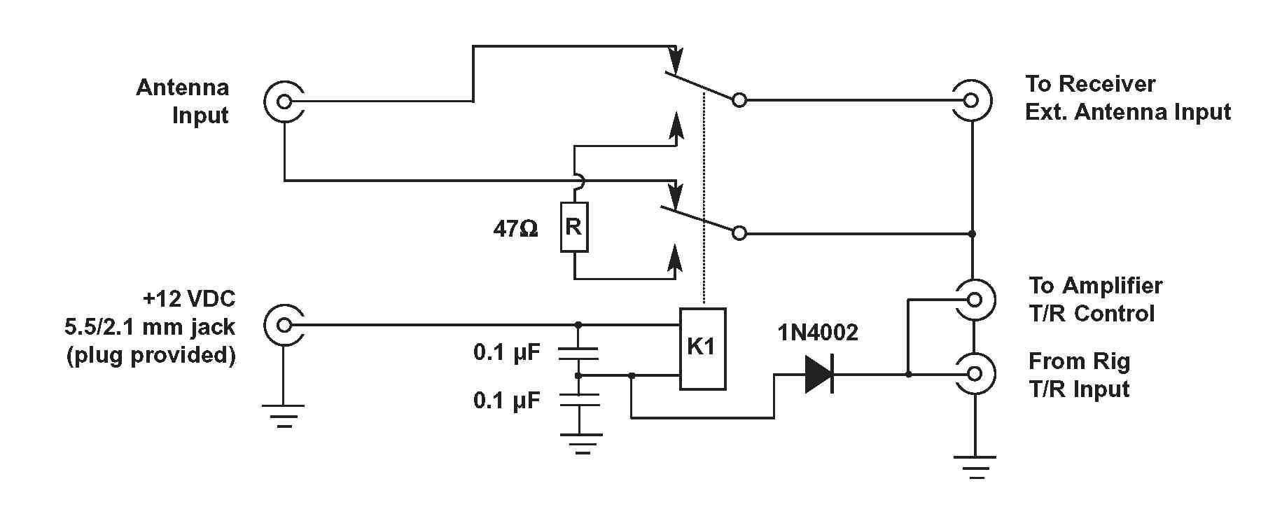
Fortunately, the answer is usually easya receiver isolator/protector that
disconnects the culprit antenna during transmit! That is exactly what the RIP-1
does. This product uses a DPDT relay to completely disconnect a receive-only
antenna during transmit to keep RF from getting into the rig and causing problems.
Both the shield and the center conductor are disconnected to keep RF that may
on the shield from getting to the radio. A resistor is switched into the ciricuit
at the receiver input to assure stability.
The PRE-1 is not a complicated circuit, but we have selected the right components and design choices:
A relay with good RF characteristics and 5 amp contacts capable
of handling well over 100 watts
Loop-through connection
that goes between your radio and amplifierno modification to your radio
equipment
A rugged, but
compact die-cast aluminum case
Simple connection with
phono (RCA) plugs and a source of 12 VDC
(a DC power connector is supplied to use with your shack supply,
or use a regulated 12 VDC plug-in power supply (wall wart)
Dont let your rig become R.I.P. from RF Use the RIP-1 to protect it!
RIP-1 Circuit Diagram:

How to Connect the RIP-1:


AY Technologies * antennas
by K9AY * www.aytechnologies.com